Maker.io main logo

How to Build a Simple Arduino-based 7400-Logic IC Tester

1,822

2022-04-05 | By Maker.io Staff

License: See Original Project

Sometimes, things go wrong when working with simple logic gate ICs. Problems can include ‎seemingly incorrect results or ICs that don’t seem to react at all. However, it’s often difficult to ‎determine whether a broken chip causes an issue or whether there’s a problem with the circuit. ‎Often, it’s best to remove the potentially damaged chip from the build and test it independently ‎from the other components in the electronics design. This article discusses a simple Arduino-‎based logic IC tester you can employ to find problems in your digital circuits.‎

complete_1 

This image shows the completed build.‎

BOM

Part/Quantity

The Basics of the 7400-Series of Logic Gate ICs‎

This logic gate IC tester design functions because most standard four-gate 7400 logic ICs utilize ‎the same physical pin layout, as the following image illustrates:‎

data_2

This image contains three package diagrams of common logic ICs. The first two implement ‎positive functions (OR and AND), and the third IC implements a negative logic function (NOR). ‎Note how the I/O pins are swapped between some positive and negative packages. Image ‎source: https://www.ti.com/lit/gpn/sn74ls32, https://www.ti.com/lit/gpn/sn74ls08, ‎https://www.ti.com/lit/gpn/sn5428‎

Note that the GND pin is always located in the bottom-left corner of 7400 series chips, and VCC ‎is always tied to pin 14. The pins labeled with A and B are inputs, and the pins labeled with Y are ‎outputs. Most 7400 logic ICs are pin compatible. However, it’s good to know that the inputs and ‎outputs are swapped on some inverted logic ICs, such as the NOR gate on the far right of the ‎image. You should keep that in mind, as supplying an output pin with a signal will most likely ‎cause irreparable damage to the IC. The IC tester discussed in this article can test both kinds of ‎ICs. Additionally, you can adapt the software to add support for other gate configurations, for ‎example, six-gate NOT ICs.‎

The Schematic Diagram‎

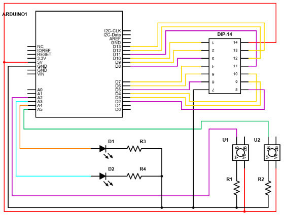
Regardless of the exact configuration of the I/O pins, all 7400 logic ICs have the same GND and ‎VCC connections. Therefore, you can connect those two positions to the supply rails of the ‎Arduino. In addition, you can attach all other I/O pins to digital I/O pins on the Arduino UNO ‎board. Later, the software configures the pins according to the selected IC. Therefore, the ‎schematic for this project looks as follows:‎

schemeit_3

Here is the schematic diagram for this project.

As you can see, the project contains two pushbuttons with two pull-down resistors as well as two ‎LEDs and their accompanying current limiting resistors. Each of the buttons starts an IC test ‎sequence. The right button triggers an AND test, and the left button triggers the NOR test. The ‎red LED lights up when the test fails. In contrast, the green LED indicates a successful test run. ‎Note that you can add either more buttons or a more sophisticated I/O method, such as a liquid ‎crystal display, to enable users to pick from more than two tests.‎

The following Tinkercad Circuits image illustrates how to connect the components on a standard ‎breadboard:‎

assemble_4

This image illustrates how to assemble the project on a standard breadboard. Tinkercad Circuits ‎link.‎

The Tinkercad circuits simulation also illustrates how the project works. The user first places the ‎logic IC they want to test on the breadboard. The software on the Arduino ensures that the MCU ‎does not supply the logic IC with any signals, which prevents the component from getting ‎damaged. Then, the user presses one of the two buttons, depending on the logic gate they want ‎to test. When the test succeeds, the Arduino lights up the green LED. Otherwise, the Arduino ‎turns on the red LED to signal that the test failed.‎

The Software Part of this Project‎

The following program implements the described behavior on the Arduino board:‎

Copy Code
/* define statements and global variables omitted */

unsigned andResultMatrix[4][3] = {
  { 0, 0, 0 },
  { 0, 1, 0 },
  { 1, 0, 0 },
  { 1, 1, 1 }
};

/* Other test cases omitted */

void setup()
{
  pinMode(AND_BTN_PIN, INPUT);
  pinMode(NOR_BTN_PIN, INPUT);
  pinMode(RED_LED_PIN, OUTPUT);
  pinMode(GRN_LED_PIN, OUTPUT);
 
  turnLEDsOff();
  resetPins();
}

void resetPins(void)
{
  for(int i = 2; i <= 13; i++)
	pinMode(i, INPUT);
}

void initPositiveFourGateTest(void)
{
  pinMode(2, INPUT);
  /* … */
  pinMode(13, OUTPUT);
}

void initNegativeFourGateTest(void)
{
  /* Pin initialization code omitted */
}

bool testTwoInputGate(unsigned testCase[4][3], unsigned a, unsigned b, unsigned y)
{
  bool result = true;
 
  for(int i = 0; i < 4; i++)
  {
    digitalWrite(a, testCase[i][0]);
    digitalWrite(b, testCase[i][1]);
    result = result & (digitalRead(y) == testCase[i][2]);
  }
 
  return result;
}

bool doFourGateTest(unsigned testCase[4][3], bool positive)
{
  bool result = true;
 
  if(positive)
  {
	initPositiveFourGateTest();
	result = result & testTwoInputGate(testCase, 13, 12, 11);
	result = result & testTwoInputGate(testCase, 10, 9, 8);
	result = result & testTwoInputGate(testCase, 7, 6, 5);
	result = result & testTwoInputGate(testCase, 4, 3, 2);
  }
  else
  {
	/* code omitted */
  }
 
  resetPins();
 
  return result;
}

void turnLEDsOff(void)
{
  digitalWrite(GRN_LED_PIN, LOW);
  digitalWrite(RED_LED_PIN, LOW);
}

void displayTestResult(bool success)
{
  digitalWrite(GRN_LED_PIN, success);
  digitalWrite(RED_LED_PIN, !success);
}

void loop()
{
  unsigned long currentMillis = millis();
 
  if(currentMillis - lastMillis > DEBOUNCE_DELAY)
  {
	if(digitalRead(AND_BTN_PIN))
  	    displayTestResult(doFourGateTest(andResultMatrix, true));
	else if(digitalRead(NOR_BTN_PIN))
  	    displayTestResult(doFourGateTest(norResultMatrix, false));
 	 
	lastMillis = currentMillis;
  }
}

As you can see, I defined the input values and their expected result for the AND gate test using a ‎two-dimensional array. The first two entries in each row define the input variable values, and the ‎third entry represents the expected result. So, for example, the first line in the matrix states that ‎both inputs are zero, and the desired outcome is also zero. You can create as many of these ‎arrays as you like for different logic functions.‎

Next, the setup()-method initializes the pins that control the buttons and the LEDs. It then sets all ‎logic I/O lines before turning off all LEDs. The initPositiveFourGateTest() and ‎initNegativeFourGateTest() helper functions reconfigure the digital I/O pins of the Arduino ‎according to the I/O lines of the connected logic IC.‎

The testTwoInputGate() and doFourGateTest() methods implement the actual testing part of the ‎program. The testTwoInputGate() function iterates over all the multi-dimensional array entries ‎that encode the test cases. It inspects whether the observed output matches the expected value ‎for the defined input variable values. Therefore, this method tests all possible combinations of ‎one gate of the IC. However, these ICs typically contain multiple gates in a single package. The ‎doFourGateTest() function calls the testTwoInputGate() helper method for each of the four gates ‎on the IC. It then returns either true or false depending on the test result.‎

wires_5 

This image illustrates how you can lay out the wires coming from the IC and the components to ‎achieve a more clean-looking build on a breadboard. Note that I removed the Arduino to highlight ‎the breadboard connections.‎

Lastly, the loop() method checks whether the user pressed one of the two buttons, and then it ‎runs one of the two test-cases according to the button input. Then, it calls a helper method to ‎display the test result using the two LEDs. I used the built-in millis() function to implement a ‎simple debounce delay. You can learn more about that method in another article.‎

Download the Source Code‎

You can download the complete source code for this project here. Alternatively, you can ‎simulate the finished project in Tinkercad circuits.‎

Summary‎

This article discussed a simple Arduino-based 7400 logic IC tester. The project works because ‎most of the 7400 chips share the same pin layout. Therefore, users can switch out the IC. The ‎Arduino then supplies the chip with known input values, and it then verifies whether the logic IC ‎generates the expected outputs. The Arduino program splits the testing part into several smaller ‎tests that inspect each logic gate in isolation from the other gates in the IC. If all gates return the ‎expected result, the Arduino informs the user that the test was successful.‎

Mfr Part # 240-131
BREADBOARD TERM STRIP 3.29X2.15"
Digilent, Inc.
₱356.70
View More Details
Mfr Part # SLR-56VRT32
LED RED DIFFUSED T-1 3/4 T/H
Rohm Semiconductor
₱31.56
View More Details
Mfr Part # SLR-56MGT32
LED GREEN DIFFUSED T-1 3/4 T/H
Rohm Semiconductor
₱30.37
View More Details
Mfr Part # CF14JT150R
RES 150 OHM 5% 1/4W AXIAL
Stackpole Electronics Inc
₱5.96
View More Details
Mfr Part # CF14JT2K20
RES 2.2K OHM 5% 1/4W AXIAL
Stackpole Electronics Inc
₱5.96
View More Details
Mfr Part # MJTP1230
SWITCH TACTILE SPST-NO 0.05A 12V
APEM Inc.
₱14.89
View More Details
Mfr Part # A000066
ARDUINO UNO R3 ATMEGA328P BOARD
Arduino
₱1,643.58
View More Details
Mfr Part # CD74AC02E
IC GATE NOR 4CH 2-INP 14DIP
Texas Instruments
₱65.51
View More Details
Mfr Part # CD74HC08E
IC GATE AND 4CH 2-INP 14DIP
Texas Instruments
₱62.53
View More Details
Add all DigiKey Parts to Cart
Have questions or comments? Continue the conversation on TechForum, DigiKey's online community and technical resource.